3.7v锂电池保护板原理图
锂电池保护板主要由维护IC(过压维护)和MOS管(过流维护)构成,是用来保护锂电池电芯安全的器材。锂电池具有放电电流大、内阻低、寿数长、无回忆效应等被人们广泛运用,锂离子电池在运用中禁止过充电、过放电、短路,不然将会使电池起火、爆破等丧命缺陷,所以,在运用可充锂电池都会带有一块维护板来维护电芯的安全。
1、电压保护能力
过充电保护板:保护板有必要具有防止电芯电压超越预设值的才干过放电维护:保护板有必要具有防止电芯电压底于预设值的才干。
2、电流能力
(过流保护电流,短路保护)
保护板作为锂电芯的安全保护器材,既要在设备的正常作业电流规模内,能可靠工作,又要在当电池被意外短路或过流时能迅速动作,使电芯得到保护。
3、导通电阻
定义:当充电电流为500mA时,MOS管的导通阻抗。
由于通讯设备的工作频率较高,数据传输要求误码率低,其脉冲串的上升及下降沿陡,故对电池的电流输出能力和电压稳定度要求高,因而保护板的MOS管开关导通时电阻要小,单节电芯保护板通常在《70mΩ,如太大会导致通讯设备作业不正常,如手机在通话时突然断线、电话接不通、噪声等现象。
4、自耗电流
定义:IC作业电压为3。6V,空载状况下,流经保护IC的作业电流,一般极小。
保护板的自耗电流直接影响电池的待机时刻,通常规则保护板的自耗电流小于10微安。
5、机械功能、温度适应能力、抗静电能力
保护板有必要能通过国标规则的轰动,冲击实验;保护板在40到85度能安全工作,能经受±15KV的非触摸ESD静电测验。
锂电池充放电保护电路的特点及工作原理
锂电池的保护功能通常由保护电路板和PTC协同完成,保护板由电子元件组成,在-40℃~+85℃的环境下时刻准确地监视电芯的电压和充放电回路的电流,并及时控制电流回路的通断;PTC的主要作用是在高温环境下进行保护,防止电池发生燃烧、爆炸等恶性事故。
[提示]PTC是英文PosiTIvetemperature coefficient的缩写,意即正温度系数电阻(温度越高,阻值越大)。该元件可起过流保护作用,即防止电池高温放电和不安全的大电流充放电。PTC器件采用高分子材料聚合物,通过严格的工艺制成,由聚合物树醋基体及分布在里面的导电粒子组成。在正常情况下,导电粒子在树醋中构成导电通路,器件表现为低阻抗;当电路中有过流现象发生时,流经PTC的大电流产生的热量使聚合物树醋基体体积膨胀,因而切断导电粒子间的连接,从而对电路起到过流保护作用。当故障解啥后,该元件可自动恢复到初始状态,保证电路正常工作。
一、锂电池的充放电要求
1.锂电池的充电
单节锂电池的最高充电终止电压为4.2V,不能过充,否则会因正极的锂离子丢失太多而使电池报废。对锂电池充电时,应采用专用的恒流、恒压充电器,先恒流充电至锂电池两端电压为4.2V后,转入恒压充电模式;当恒压充电电流降至100mA时,应停止充电。
充电电流(mA)可为0.1~1.5倍电池容量,例如:1350mAh的锂电池,其充电电流可控制在135mA~2025mA之间。常规充电电流可选择在0.5倍电池容量左右,充电时间约为2~3小时。
2. 锂电池的放电
由于锂电池的内部结构原因,放电时锂离子不能全部移向正极,必须保留一部分锂离子在负极,以保证在下次充电时锂离子能够畅通地嵌入通道。否则,电池寿命会缩短。为了保证石墨层中放电后留有部分锂离子,就要严格限制放电终止最低电压,也就是说锂电池不能过放电。单节锂电池的放电终止电压通常为3.0V,最低不能低于2.5V。电池放电时间长短与电池容量、放电电流大小有关。电池放电时间(小时)=电池容量/放电电流,且锂电池放电电流(mA)不应超过电池容量的3倍,例如:1000mAh的锂电池,则放电电流应严格控制在3A以内,否则会使电池损坏。
二、保护电路的组成
保护电路通常由控制IC、MOs开关管、熔断保险丝、电阻、电容等元件组成,如图2所示。正常的情况下,控制IC输出信号控制MOs开关管导通,使电芯与外电路导通,当电芯电压或回路电流超过规定值时,它立即控制MOS管关断,以保护电芯的安全。
控制IC内置高精度电压检测电路和多级电流检测电路。其中,电压检测电路一是对充电电压进行检测,一旦达到其设定阈值(通常为3.9V~4.4V),立即进入过充电保护状态;二是对放电电压进行检测,一旦达到其设定阈值(通常为2.0V~3.0V ),立即进入过放电保护状态。
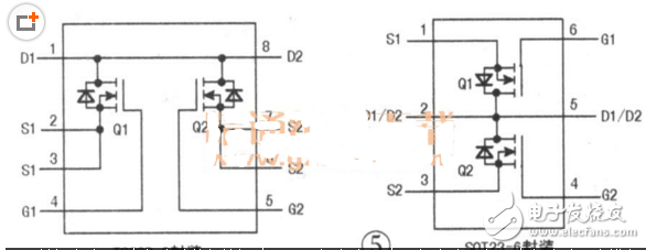
在该电路中,MOS开关管多采用薄型TSSOP -8或SOT23 -6封装形式,其外形如图3所示。这些MOS开关管有的内含一只N沟道场效应管,如FDMC7680,其①~③脚为S极,④脚为G极,⑤~⑧脚为D极,其内部结构如图4所示;有的内含两只N沟道场效应管,如FDW9926A、8205A等,其引脚功能与封装形式有关,如图5所示。
【提示】若控制IC与MOs开关管上有小圆形凹点,则该凹点所对管脚为①脚;若表面没有凹点,则元件型号标注左侧的第一个管脚为①脚,其余引脚按逆时针方向排列。另外,在换用MOS开关管时,需根据实际线路走向判断其内部电路,从而进行正确的代换。
另外,部分锂电池保护电路中还安装有NTC和ID信号形成元件。NTC是英文NegaTIvetemperature coefficient的缩写,意即负温度系数电阻。该元件在此电路中主要起过热保护作用,即当电池自身或其周边环境温度升高时,NTC元件阻值降低,使用电设备或充电设备及时作出反应,若温度超过一定值时,系统进入保护状态,停止充放电。ID是IdenTIficaTIon的缩写,即身份识别的意思,其信息识别的元件分为两种:一是存储器,常为兽线接口存储器,存储电池种类、生产日期等信息;二是识别电阻,这两者均可起到产品的可追溯和应用的限制。
三、保护电路工作原理分析
单节锂电池的正常输出电压约为3.7V,可直接作为手机、MP3/MP4及部分小屏幕的平板电脑的电源。对于需要较高电压的电器而言,如移动DVD/EVD或大屏幕平板电脑,这时可用多节锂电池串联得到所需电压,如一款需11.1V供电的平板电脑,则配用电池组件为三块串联的锂电池。单节锂电池与多节串联锂电池的保护电路有所不同,下面分别举例分析。




















