锂电池为什么会危险?是什么原因使这个日常生活用品忽然就变成了“定时炸弹”呢?
近期,三星Note7手机爆炸事件在各大网络媒体疯传,甚至被央视新闻曝光。这一事件对三星公司无疑是灾难性的,对于电子消费者而言也是被锂电池的强大“威力”所震惊。然而,不可否认的是锂电池对于人们日常的生活乃至人类文明的发展都是至关重要的,大到电动汽车,小到电子手表,几乎随处可见它们的身影。
那么,是什么原因使这个日常生活用品忽然就变成了“定时炸弹”呢?合规化学将在本文中从化学的角度为大家做一个详细解读。
一、锂电池的分类
电池一般分为一次电池(不可反复充电)和二次电池(可反复多次充电)。而锂电池是一类由锂金属或锂合金为负极材料、使用非水电解质的电池,一般分为两类:锂金属电池和锂离子电池(包括锂离子聚合物电池),其最主要的区别在于锂金属电池是一次电池,内含金属态的锂,如纽扣电池;而锂离子电池是二次电池,不含有金属态的锂,如手机电池。电池的具体分类如图1所示
其中锂离子聚合物电池作为二次电池的代表,广泛应用于手机、平板电脑等便携电子产品。其原因在于利用聚合物串联电池结构,使其仅需要少量液体电解质,因此该类电池并不需要硬质外壳做保护,形状没有限制,其包装体积也可大大减少。基于这些特点,锂离子聚合物电池大有取代传统锂离子电池的趋势。
二、锂电池的工作原理
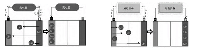
目前通常所说的锂电池特指锂离子电池,其正负电极由不同的锂离子嵌入化合物组成,是一种实现化学能与电能相互转化的装置。其构造主要由电池正负极组成,如下所示。
正极构造
LiCoO2+导电剂+粘合剂(PVDF)+集流体(铝箔)
负极构造
石墨+导电剂+增稠剂(CMC)+粘结剂(SBR)+集流体(铜箔)
图2锂电池构造
当锂电池处于充电过程中时,通过充电器发送的电流对锂离子(Li+)施加推力,从正极穿过电解质到达负电极后,以电化学能的形式存储起来。当没有更多的锂离子从正极流向负极时,说明电池已经充满电。在此过程中,在电池正负极之间产生的电化学驱动力,称为终端电压。如图3。
当锂电池处于放电过程中时,附着在负电极的锂离子开始迁移回正电极,过程中蓄电池继续放电,终端电压持续下降。一旦所有锂离子从正极端子迁移完毕,电池完全放电,则需要再充电后使用。如图4。

图3充电过程图4放电过程
三、锂电池的危险性
在之前的合规解读中我们讲到,锂电池或锂电池组在法规中是作为第9类危险品进行监管的(点击查看)。其危险性主要集中为以下三点,如表1所示。
四、影响锂电池安全的因素
1)内部因素
锂电池的电极材料以及电解质均有易燃性,受热(内部或外部)即可引起火灾,并分解产生气体,从而加剧了电池爆炸的可能性。而且现如今的高分子隔离膜强度都相对较低,在碰撞或过热情况下极易损坏这层薄膜,导致电池短路。
同时,制造工艺的缺陷也极易引发锂电池安全问题。比如电芯极耳过长,与极片或壳体接触造成短路;极耳压迫卷芯,导致正负极短路;在两极之间留下金属粉末、铜箔、铝箔碎片等可能导致隔膜穿孔进而引发微短路等系列问题。
2)外部因素
影响锂电池安全的外部因素则相对较杂,比如过充电、外短路、猛烈撞击等均可能引发锂电池自燃。常见的外部因素如表2所示。
据美国FAA的相关统计数据表明:1991~2007年间所发生的电池事故中,27%是锂电池事故,而这些事故中,68%是由于内部或外部短路造成,15%是由于充电或放电造成,7%由于设备意外启动,10%为其他原因。由此进一步证明,各种因素直接或间接造成的电池内、外部短路,是导致锂电池安全事故发生的主要原因。
就“三星Note7手机爆炸事件”而言,手机爆炸燃烧与其锂电池的设计缺陷有直接关系,据《科技日报》报道,三星正是为了提升电池的能量密度、延长续航能力,采用了更薄的隔膜材料,才导致电池的阴极和阳极相接触,发生了电池自燃现象。
五、锂电池自燃的预防及应急处置对策
当前,锂离子电池制造商研发了多种方法来降低火灾风险,提高安全性能,例如在电池内部设置保护电路,包括过度充电保护、过电流/短路保护和过放电保护。
1)锂电池自燃的预防方法
尽管可以在电池的生产方面想办法提高安全性能,减少火灾发生的概率,然而消费者在使用过程中也应注意以下几个方面:
?使用与电池相匹配的充电器为电池充电。为了降低成本,市场充斥着大量的劣质充电器,虽然价格低廉,但是安全性能无法保障。电池充电器本质上是一个小型的变压器,如果与电池的性能不匹配的话,将会对电池造成损害。
?平时不使用的锂电池最好放置于结实的绝缘容器之内,并避免使其接触到水,或置于超过100℃的环境中。
?锂离子电池充电的合理温度范围是0~45℃,放电的合理温度范围是-20~60℃。如果电池充电时的温度低于0℃,那么在电池的正极会析出金属锂,使电池对于震动或撞击更加敏感,增加危险性。
?避免电池被过度充电或过度放电,二者都会破坏电池内部的保护电路。
?大量储存锂离子电池的地方,应注意控制环境温度,避免外力的撞击。
?任何情况下都不要随意打开或拆卸电池,否则会造成电池电芯的短路。
2)锂电池自燃的应急处置对策
尽管采取了一系列的预防措施,但是锂离子电池发生自燃的可能性仍然存在。如果发生锂电池自燃,通常来说按照如下的步骤进行应急处理:
?首先切断电源。出现任何异常情况,应在第一时间切断电源。
?当电池出现自燃时,应立即对电池做持续的降温处理,用水扑救是最理想的解决办法。如果火势较大,可以使用ABC干粉灭火器或二氧化碳型灭火器扑灭明火,然后再用水给受损的电池持续降温,并且每5min检查一下已发生自燃的电池,如果仍旧是发热,则继续用水为电池降温,直至完成冷却。
?如果可能的话,将受损电池移至开放的安全区域,并迅速疏散周围的人群。
?在条件允许的情况下,迅速移开发生自燃的电池周围的可燃物。
?不要对锂电池用冰块降温。因为会导致内部热量散发不出来,持续的高温进一步加剧化学反应,此时内部温度将急速升高,电解质气体大量积聚,进而引发电池爆炸,其威力和破坏性比电池“平静的自燃”更可怕。
?即使出现了明火,也应避免使用泡沫灭火器,喷出的泡沫附着在电池外围形成热绝缘体,从而增加化学反应,产生更多的热量。
六、小结
在本文中,我们从锂电池的分类、工作原理、危险性以及影响安全的因素等几个方面为大家详细解答了“锂电池为什么这么危险”这个疑问,并在文章最后给大家普及了锂电池自燃的预防及应急处置对策。
我们相信,只要锂电池生产商严格按照质量标准生产和测试,只要使用者或托运者积极了解锂电池相关知识并遵守相关规定,有“锂”依旧可以走天下。
















